Кокс образуется при нагреве определенных типов углей (коксующихся) в специальных камерах, составляющих коксовые батареи. Длина камеры до 11–13 м; высота до 3–4 м; ширина 300–400 мм. Причем камера имеет неодинаковую ширину для того, чтобы облегчить выталкивание коксового пирога. Коксохимическое производство состоит технологически из трех отделений:
- углеобогатительная фабрика;
- коксовые печи (батареи);
- сульфатно-передийное отделение, состоящее из комплекса установок, позволяющего выделить из образующегося коксового газа много полезных веществ (бензол, толуол…)
Задачей углеобогатительного отделения является обеспечение коксовых печей угольной шихтой постоянного качества:
- по ситовому составу;
- по содержанию влаги в шихте;
- по насыпному весу;
- по содержанию углерода в углях, составляющих шихту.
В настоящее время угольная шихта состоит из 3-4 углей различных месторождений, подаваемых в шихту в определенных пропорциях.
С точки зрения автоматизации углеобогатительного отделения необходимо решать следующие задачи:
- Автоматизация процесса дробления углей.
- Автоматизация процесса контроля и регулирования влажности шихты (1% избыточной влажности увеличивает продолжительность процесса коксования на 5%).
- Контроль и регулирование постоянства ситового состава технологических групп углей после каждой дробилки.
- Автоматический контроль и регулирование постоянства насыпного веса шихты.
- Автоматический контроль и регулирование состава шихты путем дозирования каждого компонента в шихту.
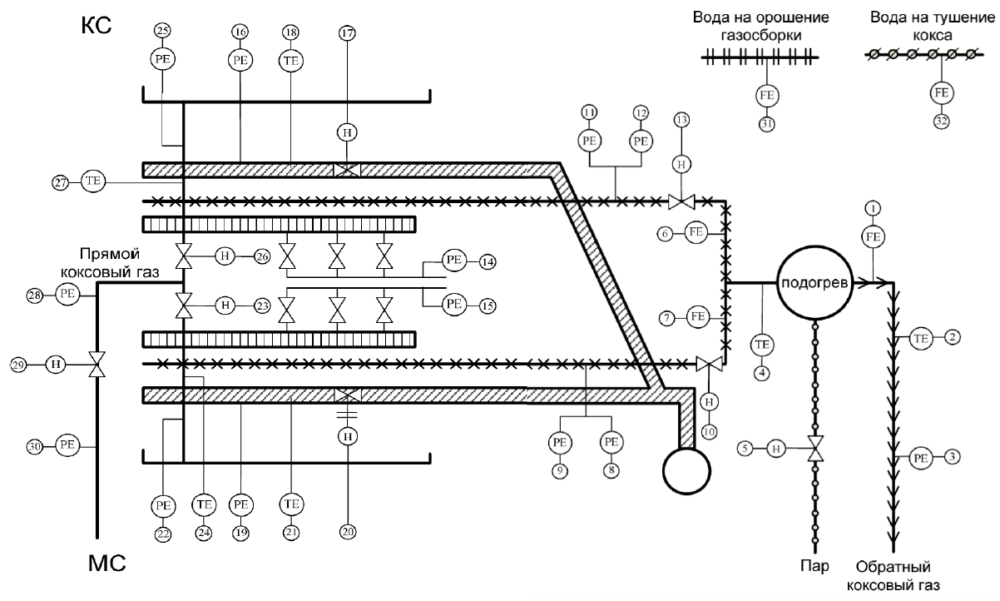
Процесс получения кокса осуществляется в коксовых печах. Так как камера несимметрична, то в системе автоматического управления также произведено разделение систем соответственно на машинную (МС) и коксовую (КС) сторону, причем каждая из сторон управляется индивидуально. Так как на КС шихты больше, то и отопительного газа туда надо больше, чем на МС. Коксовые печи относятся к печам, в которых подача воздуха на сжигание газа организуется за счёт тяги дымовой трубы. Регулирование расхода воздуха осуществляется изменением разрежения в дымовом борове каждой из сторон батареи.

1 – измерение расхода отопительного (обратного) коксового газа.
2 – измерение температуры отопительного газа с помощью термометров сопротивления.
3 – измерение давления отопительного газа.
4, 5 – измерение и регулирование температуры коксового газа, подаваемого на отопление. В коксовом газе содержится много различных веществ, в частности, нафталин, который может выпадать при низких температурах, забивая газопровод. Подогрев осуществляется в пароподогревателе за счет подачи пара.
6, 7 – измерение стандартным комплектом САПФИР расхода коксового газа соответственно на КС (6) и МС (7). Так как объем шихты с КС больше и для обеспечения равномерного процесса коксования на эту сторону подается больше топлива.
8, 9, 11, 12 – измерение давления отопительного газа соответственно на МС (8,9) и КС (11,12). Схемой предусмотрено (8,11) наличие аварийной сигнализации при падении давления коксового газа на соответствующую сторону.
9, 10, 12, 13 – регулирование давления отопительного газа на МС и КС.
14, 15 – измерение (периодически) разрежения в регенераторах на КС и МС. Воздух на смешение газа подается только за счет тяги дымовой трубы, поэтому контроль разрежения определяет количество воздуха, который засасывается в регенератор и это количество воздуха определяет качество сжигаемого топлива в обогревательных простенках.
16, 17, 19, 20 – измерение и регулирование разрежения в дымовых боровах (дымоотводящих каналах) соответственно на КС и МС. Данный импульс определяет газодинамический режим тепловой работы всей батареи.
18, 21 – измерение температуры продуктов сгорания в дымовом борове соответственно с КС и МС. Температура определяет тягу дымовой трубы.
22, 23, 25, 26 – измерение и регулирование давления прямого коксового газа с каждой из сторон коксовой батареи. Данные системы предназначены для предотвращения возможного перетока образующегося коксового газа с одной стороны на другую.
24, 27 – измерение температуры прямого коксового газа с МС и КС. Данный импульс косвенно характеризует температуру газопровода, который для предотвращения перегрева орошается водой.
28, 29 – измерение и регулирование давления прямого коксового газа в общем (батарейном) газопроводе. Необходимо, чтобы давление коксового газа в сборном газопроводе батареи было больше, чем в общецеховом коллекторе, на который работает несколько батарей.
30 – измерение давления коксового газа в общецеховом коллекторе.
31 – измерение расхода воды на орошение газосборников.
32 – измерение расхода воды на тушение кокса.
