
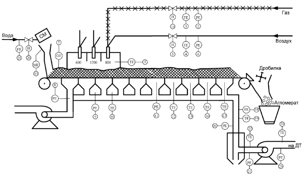
1, 14 – измерение и регулирование температуры рабочего пространства зажигательного горна. Горн отапливается смешанным газом (коксовый+доменный), температура в рабочем пространстве достигает 1300 °С. Иногда зажигательный горн разбивается на три зоны: зона предварительного нагрева, зона зажигания и зона замедленного охлаждения. Разбивка на три зоны способствует увеличению производительности, так как делает более мягким температурный перепад на выходе зажигательного горна, так как в зоне замедленного охлаждения поддерживается температура 600-800°С.
2 – измеряется давление отопительного газа на зажигательный горн. Схемой предусматривается аварийная сигнализация при падении давления.
6 – измеряется давления вентиляторного воздуха, используемого для сжигания отопительного газа. Схемой предусматривается аварийная сигнализация при падении давления.
3,4,5 – измеряется расход газа (3) и воздуха (4). Схемой предусмотрено управление процессом сжигания топлива с использованием способа объемного пропорционирования расхода: ведущий – газ, ведомый – воздух. Управление осуществляется за счет стабилизации коэффициента расхода воздуха.
8 – измеряется разряжение в нулевой вакуум-камере. Данный параметр характеризует начальную газопроницаемость слоя шихты, эта газопроницаемость характеризует влажность шихты и измеряемый параметр может использоваться в системе регулирования влажности шихты.
9,10 – измеряется разрежение и температура в вакуум-камере на уровне зажигательного горна. Эти параметры характеризуют начало процесса зажигания кокса в слое шихты.
11,12 – измеряется температура и разрежение в вакуум-камерах средней части ленты, то есть в месте наибольшей конденсации влаги, когда из-за переувлажнения шихты газопроницаемость (производительность) резко уменьшается.
13,25 – измеряется и регулируется влажность шихты, которая определяет газопроницаемость и производительность.
15,16,17 – измеряется температура в вакуум-камерах в районе окончания процесса спекания (активные длины ленты), для управления скоростью движения ленты.
18 – измеряется расход, а по расходу и количество (проинтегрировав расход) газов в общем коллекторе. Расход и количество косвенно характеризуют вертикальную скорость спекания и этот параметр может также использоваться для регулирования скорости ленты.
19 – измеряется температура отходящих газов на входе в пылеуловитель циклон, используемый для очистки газов.
20,21 – измеряется разряжение на входе и выходе пылеуловителя. В результате засорения пылеуловителя может произойти его разрушение.
22 – измеряется температура газов, отсасываемых на входе в дымосос.
23,24 – измеряется разрежение и температура удаляемых газов на входе в дымовую трубу.
25, 26 – измеряется и регулируется расход воды в смеситель.
