Колпаковые печи предназначены для термической обработки металла в цехах холодной прокатки для снятия напряжений, возникающих в ходе деформирования.
В настоящее время используются колпаковые печи камерного типа: металл в рулонах, собранных в стопку, нагревается в защитной атмосфере для предотвращения окисления. Этот процесс называется светлым отжигом. На большинстве печей в качестве защитной атмосферы используется смесь азота и водорода. Точка росы такой атмосферы находится в -50-70 °С (точка росы характеризует содержание влаги).
По конструкции колпаковые печи по типу используемой энергии подразделяются на газовые и электрические. Печи электронагревательные используются для светлого отжига электротехнических сталей.
В колпаковых печах нагрев осуществляется при двухступенчатом режиме. Защитный нагреваемый материал находится под муфелем, выполненным из жаропрочной стали. Стопка рулонов укладывается на стенд. Обычно в стопе нагревается три рулона. Между рулонами прокладываются конвекторные кольца для прохождения защитной атмосферы. На муфель надевается нагревающий колпак, снабженный горелкам, который подключается к газовым и воздушным магистралям и дымоотводящему каналу. Один колпак может использоваться на разных стендах.
Для повышения интенсивности нагрева внизу стенда, закрытого муфелем, стоит вентилятор, который обеспечивает циркуляцию защитной атмосферы внутри стенда под муфелем.
Для реализации светлого отжига процесс нагрева металла идет через защитный, выполненный из жароупорной нержавеющей стали, муфель.
Управление ведется путем изменения расхода газа, который подается в рабочее пространство, образованное выполненным из металла колпаком, футерованным огнеупорным материалами и муфелем.
Технологический процесс термического отжига в зависимости от марки стали и от вида термообработки длится значительное время и может достигать сотен часов.
Так как в колпаковых печах отжигается сталь, смотанная в рулоны, то для прогрева их по сечению необходимо определенное время.
Изменение параметров процесса имеет следующий вид (рис.64).

Рассмотрим особенности управления режимом отжига металла в колпаковой печи.
Вначале обеспечивается нагрев колпака до определенной заданной температуры. Эта температура выдерживается на заданном значении до момента достижения стендовой термопарой заданного по технологии значения температуры отжига. В этот момент происходит переключение управления с колпаковой термопары на стендовую, которая управляет подачей топлива с учетом теплообмена через муфель.
При достижении термопарой самой нижней точки заданного значения процесс заканчивается, колпак снимается и переносится на другой стенд, а металл охлаждается при циркуляции защитной атмосферы.
Для ускорения процесса охлаждения желательно защитную атмосферу охлаждать в водяных холодильниках.
С точки зрения управления процессом теплового режима целесообразно использовать два закона управления: для колпаковой температуры ПИ режим, для стендовой ПИД, так как передача тепла осуществляется через защитный муфель.
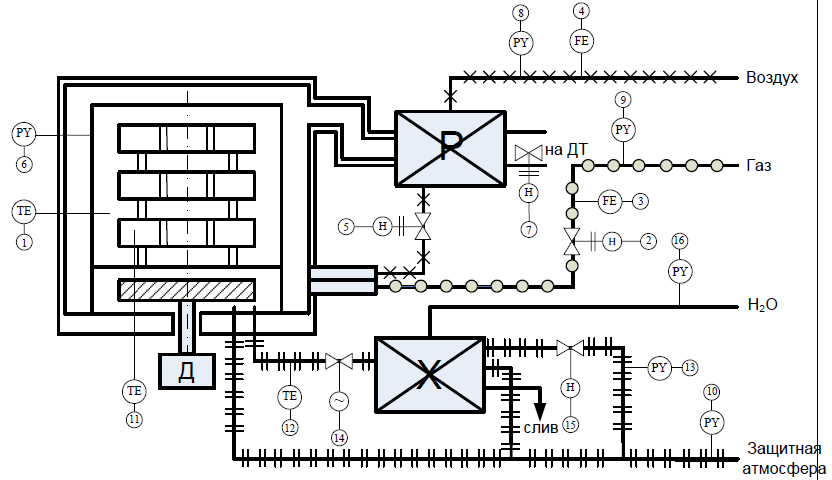
Функциональная схема контроля и регулировании процесса отжига металла в колпаковой печи представлена на рис.65

1, 2 – измерение и регулирование температуры колпака путем изменения расхода газа, подаваемого
для нагрева.
3, 4, 5 – измеряются расходы газа и воздуха.
Регулирование соотношения при двухпроводных горелках осуществляется по схеме объемного пропорционирования расхода газа и воздуха, где ведущий параметр – газ.
6, 7 – измеряется и регулируется давление в рабочем пространстве (между муфелем и колпаком) путем изменения разрежения на дымовом коллекторе.
В качестве типового устройства, удаляющего продукты сгорания, может использоваться дымовая труба или эжектор. Воздух на горение подогревается в рекуператоре.
8, 9, 10 – измеряется давление воздуха, газа и защитной атмосферы в общецеховых коллекторах.
Схемой предусматривается аварийная сигнализация при падении давления любого из названных параметров.
11 – измеряется температура в подмуфельном пространстве (стендовая термопара градуировки ТХА).
При переключении управления по данной термопаре осуществляется регулирование нагрева металла.
12 – измеряется температура защитной атмосферы, подаваемой в холодильник для увеличения интенсивности охлаждения.
13, 15 – измеряется и регулируется давление защитного газа в подмуфельном пространстве.
Давление осуществляется подачей защитного газа с целью предотвращения попадания атмосферного воздуха в подмуфельное пространство.
14 – предусмотрена отсечка защитной атмосферы от цеховой магистрали при отключении стенда.
16 – измеряется давление охлаждающей воды на холодильник.
Воздух на горение для двухпроводных горелок подогревается в рекуператоре.
