Для подачи материалов существует два типа бункеров: расходный бункер и резервный. Из расходного бункера отбирается шихта, в резервный бункер шихта загружается. Назначение бункеров периодически меняется. Количество бункеров каждого вида зависит от количества потребляемого материала.
Система отбора материала из бункеров включает в себя систему аварийного переключения бункера, то есть переход от расходного бункера на резервный бункер. Устройства для контроля количества материалов в бункере одновременно являются и датчиками наличия материала и датчиками контроля уровня материала. Информация, формируемая этими датчиками, в основном используется в системах дозирования компонентов.
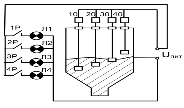
Датчики наличия материала в бункерах бывают дискретного и непрерывного типа. В системах дискретного действия чувствительными элементами являются контактные устройства или емкостные датчики, установленные на определенных фиксированных уровнях по высоте. Принцип действия этих датчиков основан на изменении сопротивления или емкости пространства, заполненного материалом и при отсутствии материала (см. рис.5). При контакте шихты с электродом включаются соответственно реле 1Р-4Р. Реле своими контактами включают соответствующие лампы Л1-Л4. Горящая лампа свидетельствует об изменении уровня материала. Вместо электродов или емкостных датчиков могут использоваться инфракрасные, оптические или радиоактивные излучатели. В этом случае источник должен располагаться на одной стороне бункера, а приемник – на другой. Реже используют радиоактивные датчики.

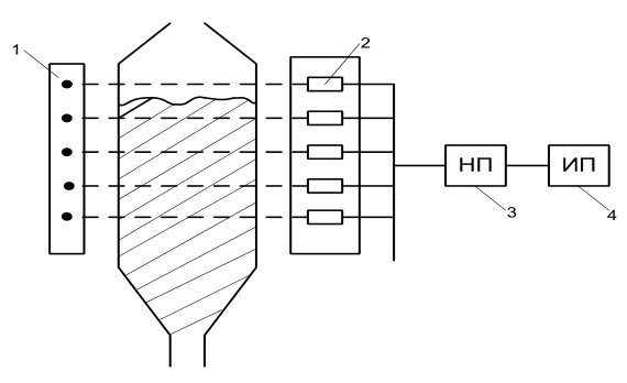
Для непрерывного контроля уровня шихты могут быть использованы датчики, построенные по принципу линейных трансформаторов, работающие при изменении магнитной проницаемости материала (см. рис.6).

В защитном чехле 1 из нержавеющей стали (немагнитный материал) помещен сердечник 2 из ферромагнитного материала, на котором размещены по всей длине первичная обмотка 3 и вторичная обмотка 4. Длина датчика определяется величиной требуемого контроля уровня (измеряемой рабочей высоты). Сигнал со вторичной обмотки трансформатора преобразуется нормирующим преобразователем НП в унифицированный сигнал. Выходное напряжение пропорционально уровню материала в бункере, так как материал увеличивает магнитную проницаемость пространства вокруг линейного трансформатора и приводит к соответствующему изменению величины выходного напряжения. При опускании материала ниже контролируемого уровня величина взаимоиндукции между обмотками будет минимальна, и выходное напряжение также будет иметь минимальную величину. По мере заполнения бункера материалом меняется магнитное сопротивление окружающей датчик среды, что приводит к росту взаимоиндукции и увеличению выходного напряжения.
В отдельных труднодоступных местах по температуре, по запыленности, по загазованности целесообразно использовать радиоизотопные датчики, которые характеризуются повышенной надежностью, долговечностью и низкими эксплуатационными затратами. Работа такого способа заключается в поглощении гамма-излучений при прохождении их через слой материала. Интенсивность излучения Ix на выходе материала равно:
Ix = I0 · e-μS
где I0 – интенсивность гамма-излучений при отсутствии материала; μ – коэффициент ослабления излучения, зависящий от свойств материала; S – толщина слоя. Радиоизотопные датчики могут быть позиционного, дискретного типа, а могут обеспечивать и непрерывный контроль.
Структурная схема радиоизотопных датчиков непрерывного действия представлена на рис.7. Имеется штанга, на которой размещены с определенной дискретизацией ∆h несколько источников 1 гамма-излучения. На противоположной стороне с той же дискретизацией размещены счетчики радиоактивного излучения. На вход нормирующего преобразователя НП 3 подается интегрированный сигнал со всех приемников излучения, который обратно пропорционален величине уровня материала в бункере. Этот сигнал подается на измерительный прибор 4.

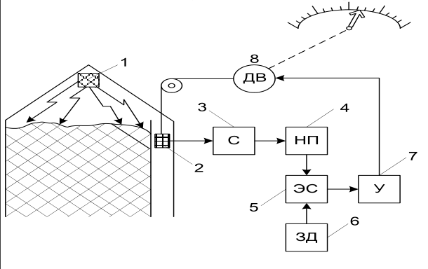
В некоторых случаях кроме уровня материала необходимо контролировать и профиль материала в бункере. Для контроля за профилем по колошнику установлены четыре независимых системы контроля уровня по четырем частям света (рис.8). Гамма-излучение, формируемое источником 1, укрепленным на воронке большого конуса, равномерно облучает поверхность шихты на колошнике. Приемники излучения 2 размещены в защитных трубах и могут перемещаться при вращении двигателя ДВ. Излучение от приемника 2 фиксируется счетчиком 3 и преобразуется нормирующим преобразователем НП 4 в сигнал, доступный для измерения. Этот сигнал подается в элемент сравнения ЭС 5, где сравнивается с сигналом, формируемым задатчиком ЗД 6. Величина сигнала, формируемого задатчиком, равна величине сигнала нормирующего преобразователя, когда приемник излучения находится на уровне шихты. Элемент сравнения формирует разность сигналов, которая зависит от положения датчика относительно уровня материала. Если приемник излучения находится ниже уровня засыпи, то его сигнал меньше сигнала задания, так как часть излучения поглощается материалом.

Если уровень шихты понизится, и приемник будет обнажен полностью, то сигнал с НП будет больше сигнала с ЗД. Сигнал рассогласования усиливается усилителем У 7 до величины, достаточной для срабатывания двигателя ДВ, который перемещает приемник 2 до момента равенства сигналов НП и ЗД. Механическое перемещение передается на измерительный прибор.
