Метеорологические условия труда определяются температурой, влажностью и подвижностью воздуха, а также тепловым излучением. При определенном уровне и сочетании элементов, метеорологического фактора достигаются наиболее благоприятные (комфортные) условия труда.
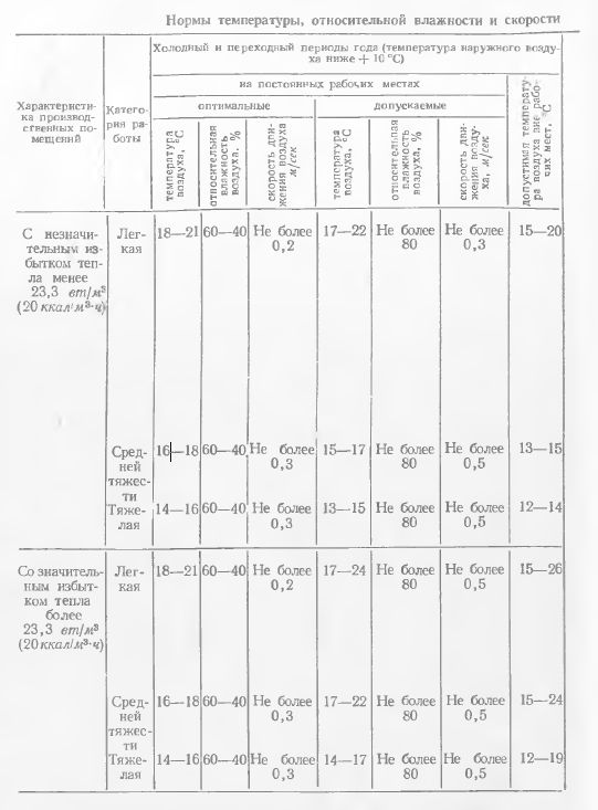
В таблицы 1 приводятся температура и влажность воздуха в производственных помещениях, установленные санитарными нормами (СН-245-63).


Как видно из таблицы 1, температура воздуха в горячих металлургических цехах в теплый период года не должна превышать более чем на 5°С температуру наружного воздуха, но в то же время не должна быть более 28°С. Практически это означает, что в металлургических цехах в жаркие летние месяцы года должно широко применяться кондиционирование воздуха, так как температура наружного воздуха летом нередко превышает 28 °С и, следовательно, в цехах температура воздуха будет значительно выше установленного оптимального предела. При высокой температуре воздуха самочувствие человека значительно ухудшается в связи с неблагоприятными условиями для сердечно-сосудистой системы. При низкой температуре воздуха возникает опасность простудных заболеваний.
Высокая и низкая влажность отрицательно влияют на самочувствие и здоровье человека. При высокой влажности воздуха и повышенной его температуре создаются условия для перегревания организма в связи с резким уменьшением испарения пота с поверхности тела. При высокой влажности воздуха в условиях пониженной температуры значительно увеличивается теплоотдача организма, что может повести к простудным заболеваниям.
Чрезмерно низкая влажность воздуха вызывает высыхание слизистых оболочек верхних дыхательных путей, что резко ухудшает фильтрующую их способность, в легкие проникает пыль и микроорганизмы. Кроме того, возникает неприятное ощущение чрезмерной сухости верхних дыхательных путей.
В холодный период года оптимальная относительная влажность воздуха в производственных помещениях принимается 60—40% и не должна превышать 80%. В теплое время года при температуре воздуха в производственных помещениях 17—25 °С оптимальная относительная влажность воздуха также считается 60—40%. При более высокой температуре воздуха нормируется меньшая относительная влажность: так, при 28 °С влажность воздуха не должна превышать 55%.
Подвижность воздуха также оказывает влияние на самочувствие человека. В холодный период года в производственных помещениях оптимальная скорость движения воздуха принимается до 0,2—0,3 м/сек. В летнее время допускается скорость воздуха 0,3—1,5 м/сек, а при значительном теплоизлучении, когда применяется воздушное душирование, скорость движения воздуха на рабочих местах достигает больших значений.
Тепловое излучение вызывается инфракрасными лучами. При напряженности теплоизлучения более 348 Вт/м2 [300 ккал/(м2 * ч)] на рабочих местах требуется устраивать воздушное душирование.
Тепловое излучение способствует перегреванию организма и отрицательно влияет на зрение работающих. Чрезмерно сильное теплоизлучение резко ухудшает условия труда и может вызвать ожоги кожи и потерю трудоспособности.
Проблема борьбы с конвекционным и лучистым теплом в металлургических цехах имеет первостепенное значение. В организме человека в зависимости от рода деятельности ежесуточно вырабатывается от 10,5 (2500) до 25,1 МДж (6000 ккал) тепла. Поскольку температура тела постоянна, то излишнее тепло отдается в окружающую среду излучением, конвекцией и выделяющимся потом. При температуре воздуха 20 °С организм человека в состоянии покоя теряет теплоизлучением примерно 44%, конвекцией примерно 33% и испарением влаги примерно 23% тепла. Картина теплообмена существенно меняется, когда температура окружающей среды становится выше температуры тела, что нередко наблюдается в летнее время в горячих цехах. При этих условиях уже окружающая среда будет нагревать организм теплоизлучением и конвекцией. Тогда почти единственным средством теплоотдачи остается испарение пота с поверхности тела. Пот в основном состоит из воды (примерно 98%), на испарение которой требуется значительное количество тепла, поэтому при испарении пота тело интенсивно охлаждается. Однако и это сильное средство борьбы организма с перерезанием имеет свои пределы и при дальнейшем повышении температуры среды терморегуляция организма нарушается и температура тела начинает повышаться. Чрезмерное повышение температуры тела может послужить причиной теплового удара, приводящего к потере сознания, а в тяжелых случаях даже к смерти человека. По имеющимся данным, температура тела при тепловых ударах повышается до 41—42°С и даже до 44°С.
Заслуживает внимания вопрос о верхних пределах температуры воздуха, кратковременно переносимых человеком. Известны случаи, когда рабочие выполняли кратковременные работы, особенно аварийного характера, при температуре около 200°С и даже более. При ремонтах металлургических печей во внутренних полостях печей наблюдается температура воздуха до 100 °С и выше. Разумеется, что работа при столь высокой температуре весьма отрицательно влияет на здоровье, и поэтому законодательство по охране труда запрещает проводить работы в подобных условиях.
В металлургических цехах обслуживающий персонал подвергается одновременному воздействию повышенной температуры воздуха и теплового излучения от печей, металла и шлака. Сильное теплоизлучение может создать совершенно нетерпимые условия труда, несмотря на низкую температуру окружающего (воздуха. Это объясняется тем, что воздух практически теплопрозрачен и, следовательно, не нагревается тепловыми лучами. Нагревание воздуха в цехах происходит конвекцией при соприкосновении с нагретыми агрегатами, полом и т. д.
Проблема создания нормальных метеорологических условий труда в металлургических цехах может быть успешно решена только при комплексном использовании мероприятий по борьбе с конвекционным и лучистым теплом. К ним относятся: уменьшение тепловыделений, аэрация цехов, применение приточной обдувающей вентиляции и кондиционирования воздуха, защита работающих от теплоизлучения, применение индивидуальных средств защиты и другие.
Борьба с тепловыделениями
Тепловыделения от плавильных и нагревательных печей можно значительно снизить теплоизоляцией их кладки и охлаждения отдельных элементов печей, уменьшением выбивания из отверстий печей пламени и газов, применением плотно закрывающихся крышек. Осуществление этих мероприятий позволяет сократить тепловыделения от печей на 40—50%.
Эффективным и вместе с тем простейшим средством для охлаждения источников выделения тепла является вода. Охлаждать водой можно обрезки и отходы нагретого металла, изложницы, слитки мягкой стали, разливочные канавы в сталелитейных цехах (при условии полного испарения охлаждающей воды), желоба после выпуска металла и шлака из плавильных печей, окалину, и т. п., а также кладку печей и ковшей при их ремонтах. Воду применяют и для внутреннего охлаждения агрегатов, например рам, крышек и других частей плавильных и нагревательных печей.
Вода дает большой охлаждающий эффект при распылении ее форсунками у теплоотдающих агрегатов Это происходит благодаря частичному охлаждению воздуха при испарении распыляемой боды, а главным образом за счет непрерывного охлаждения окружающих теплоотдающих поверхностей. Эффективность этого мероприятия была проверена на опытной установке на сортовом прокатном стане 260 металлургического завода им. Дзержинского (рисунок 1). Установка состояла из трех линий форсунок, расположенных параллельно оси чистовой линии стана. Всего было установлено 16 форсунок, распылявших 0,4 м3 воды в час. В воздухе испарялась незначительная часть воды, остальная попадала на металлические плиты пола и направляющие желоба, по которым передвигались раскаты металла, непрерывно охлаждая их, что значительно снижало температуру плит и желобов, а следовательно, и температуру окружающего воздуха у стана. В результате перегрев воздуха на стане уменьшился вдвое, а интенсивность воздействия теплоизлучения на работающих уменьшилась на 30%. Нагревание вальцовщиков уменьшилось также и потому, что на одежду и открытые части тела непрерывно оседала тонкораспыленная вода, которая, испаряясь, понижала температуру одежды и кожи. Благодаря снижению температуры воздуха, уменьшению воздействия лучистого тепла и охлаждению одежды и кожи работающих тонкораспыленной водой перегрев тела вальцовщиков прекратился, а производительность их труда повысилась приблизительно на 10%.

Аэрация металлургических цехов
Аэрация — это естественная, организованная вентиляция, которая осуществляется благодаря разности температуры воздуха в помещении и наружного воздуха, а также в результате действия ветра.
Аэрация металлургических цехов является основным и наиболее простым и действенным оздоровительным мероприятием. Высокая эффективность ее объясняется возможностью пропустить через цех в течение часа миллионы, а в крупных металлургических цехах даже десятки миллионов кубометров свежего наружного воздуха, что практически невозможно добиться при искусственной вентиляции. Так, например, исследование аэрации мартеновского цеха Кузнецкого металлургического комбината показало, что воздухообмен в летнее время, даже в условиях несовершенной аэрации цеха, составляет около 20 млн.м3 в час. Необходимо только правильно осуществить аэрацию, чтобы создать в цехе максимальный воздухообмен и тем самым обеспечить энергичное «промывание» всей рабочей зоны свежим наружным воздухом, не допуская образования застойных, плохо проветриваемых участков.
Вытяжные отверстия располагаются в самой верхней части здания, в вытяжных фонарях, а отверстия для притока свежего воздуха — в нижней части, в стенах здания.
Особое внимание следует уделять рациональному размещению вытяжных и особенно приточных отверстий с учетом расположения источников тепловыделения, чтобы обеспечить беспрепятственную вытяжку из цеха нагретого и загрязненного воздуха и равномерный, двусторонний подвод свежего воздуха к рабочим местам кратчайшим путем. В связи с этим загораживание стен цехов пристройками, материалами, продукцией и т. п. крайне нежелательно. В действующих цехах, где это условие нарушено, можно организовать доступ свежего воздуха через пристройки или приточные отверстия, которые обычно делают в стенах цеха над пристройками.

а — фонарь с ветрозащитными щитами; б — фонарь Брандта
Опыт изучения аэрации действующих металлургических цехов свидетельствует о том, что ветер обычно ухудшает аэрацию, задувая в вытяжные фонари и дезорганизуя нормальные восходящие воздухопотоки в цехах. Поэтому необходимо принимать меры по устранению отрицательного (воздействия ветра. Защита вытяжных фонарей от задувания ветра достигается установкой ветрозащитных щитов у фонарей обычных конструкций или устройством специальных фонарей незадуваемого типа (рисунок 2). Лучше всего оборудовать вытяжные фонари для защиты от ветра специальными щитами, устанавливаемыми с обеих сторон фонаря. Высота щитов может быть принята равной высоте фонаря. Положительная роль щитов не ограничивается только предупреждением задувания вытяжного фонаря ветром. Благодаря аэродинамическому явлению «прыжка» воздушного потока при обтекании им фонаря, оборудованного щитами, в пространстве между фонарем и щитами возникает значительное разрежение, которое способствует усилению вытяжки отработанного воздуха из цеха.
Для предупреждения искажения восходящих воздухопотоков при задувании ветра в приточные отверстия створки их желательно оборудовать механизмами с электрифицированным приводом или хотя бы часть приточных отверстий снабдить простейшими створками автоматического типа системы А. С. Серенко. Эти створки прикрываются под действием ветра, уменьшая приток воздуха с наветренной стороны здания. Защита приточных отверстий от ветра требуется только для цехов, не защищенных другими зданиями.
При аэрации горячих цехов многопролетного типа, где трудно подвести свежий наружный воздух к внутренним пролетам цеха, наряду с общепринятым способом подвода наружного воздуха через специальные приточные фонари в крыше здания следует осуществлять доступ свежего воздуха к внутренним частям цеха через приточные отверстия в торцовых стенах, используя холодные пролеты или хотя бы промежутки между линиями источников выделения тепла. Рекомендуемый метод позволяет создать в широких цехах своего рода воздухоразборные коридоры, по которым свежий наружный воздух легко проникает в самые отдаленные участки цеха, в то время как приточный воздух, поступающий через фонари в кровле цеха, имеет повышенную температуру и загрязнен газами и пылью.
Расчет аэрации металлургических цехов рекомендуется вести по избыточным тепловыделениям, не учитывая действия ветра в качестве побудителя аэрации, так как направление и скорость ветра являются величинами переменными. Увеличение воздухообмена за счет действия ветра следует оставлять в резерве аэрации.
Потребный воздухообмен в цехе определяется по формуле
Размеры вытяжных и приточных отверстий можно определить, пользуясь упрощенной формулой:

Приведенная формула справедлива для случая, когда расчет ведется по тепловому напору без учета действия ветра и исходя из условия равенства вытяжных и приточных отверстий. Анализ результатов исследования аэрации в доменных, сталеплавильных и прокатных цехах показал, что эта упрощенная формула вполне пригодна для практических расчетов аэрации металлургических цехов.
В тех случаях, когда размер вытяжных отверстий в действующих цехах ограничивает увеличение воздухообмена, его можно интенсифицировать за счет увеличения приточных отверстий, пользуясь следующим соотношением:

а — спекательного отделения аглофабрики;
б — доменного цеха;
в — мартеновского цеха;
г — однопролетного прокатного цеха;
д — многопролетного прокатного цеха
Регулирование аэрации нужно производить по временам года. В теплый период (май—октябрь) приточные и вытяжные отверстия открываются полностью. В переходные периоды года размеры- вентиляционных отверстий уменьшаются, чтобы температура в цехах находилась в пределах санитарных норм, а в зимнее время года размеры вытяжных « особенно приточных отверстий необходимо уменьшать настолько, чтобы температура воздуха в рабочей зоне также соответствовала установленным нормам (14—16 °С), причем содержание вредных газов в воздухе рабочей зоны не должно превышать предельных значений, допускаемых санитарными нормами.
При использовании всех возможностей аэрации удается ограничить нагревание приточного воздуха в горячих цехах всего лишь на 2—3°С вместо обычно наблюдающегося перегрева на 6—10°С.
Схемы аэрации основных металлургических цехов приводятся на рисунке 3.
Приточная обдувающая вентиляция
К числу испытанных средств в арсенале эффективных мероприятий по борьбе с жарой в горячих цехах относится приточная обдувающая вентиляция как точечного типа при фиксированных рабочих местах, так и зональная, когда требуется обдувка значительных площадей у горячих агрегатов, например у горна доменной печи, на рабочих площадках сталеплавильных печей и конвертеров, у прокатных станов и т. п.
Высокая эффективность обдувающей вентиляции объясняется тем, что благодаря быстрому движению воздуха значительно ускоряется испарение пота с поверхности тела человека, а это способствует интенсивному охлаждению организма. Охлаждающий эффект -обдувающей вентиляции возрастает пропорционально квадратному корню скорости движения воздуха в рабочей зоне, однако, по гигиеническим соображениям, скорость движения воздуха на рабочих местах не должна превышать 3—5 м/сек.
Для уменьшения нагревания воздуха воздуховоды надо тщательно теплоизолировать и дополнительно экранировать у источников сильного теплоизлучения.
Эффективность обдувающих вентиляторов пропеллерного типа в значительной мере зависит от температуры воздуха в цехе. При повышенной температуре охлаждающее действие обдувки невелико, а на особенно горячих участках подобная обдувка работающих может вызвать даже отрицательный эффект. Вентиляторы пропеллерного типа целесообразно применять большой производительности (20—60 тыс. м3/ч), устанавливая их в местах притока в цех свежего воздуха. Для охлаждения струи воздуха пропеллерные вентиляторы следует оборудовать водораспыляющими форсунками.
Данные о температуре и скорости движения воздуха при воздушном душировании, регламентируемые санитарными нормами СН-245-63, приводятся в таблице 2.

Как видно из таблицы 2, температура воздуха при воздушном душировании в теплый период года должна быть не выше 17—24 °С, что требует оборудования установок воздушного душирования устройствами для охлаждения воздуха.
Кондиционирование воздуха
В летний период года при значительной температуре наружного воздуха кондиционирование воздуха в металлургических цехах является совершенно необходимым. Без кондиционирования воздуха невозможно обеспечить в замкнутых и труднопро- ветриваемых участках горячих цехов, а также на рабочих местах, подвергающихся тепловому облучению, благоприятных метеорологических условий труда, регламентируемых санитарными нормами.
При кондиционировании воздух очищается от пыли и доводится до требуемой температуры и влажности.
На металлургических заводах для кондиционирования во духа можно применять аммиачные и фреоновые компрессорные холодильные машины, а также пароэжекторные, бромистолитиевые абсорбционные машины и простейшие охладители в виде камер, в которых охлаждаемый воздух проходит через распыляемую форсунками воду.
Чтобы выполнить требования санитарных норм по созданию в цехах оптимальной температуры воздуха, на современных металлургических заводах необходимо сооружать холодильные установки производительностью в десятки миллионов Ватт.
Из экономических соображений целесообразно применять установки большой производительности, сооружая центральные заводские холодильные станции или цеховые станции, от которых охлажденная вода подается в форсуночные камеры кондиционеров, устанавливаемые в цехах — потребителях холод а.
Для передвижных устройств, например кабин управления кранами, завалочными машинами и т. п., применяются небольшие (автономные) холодильные агрегаты, устанавливаемые непосредственно на этих устройствах. На рисунке 4 приведен общий вид кранового кондиционера СКК-1Пр производительностью 4500 ккал/ч, который работает на хладагенте фреоне-142.

На рисунке 5 показан холодильный турбокомпрессорный агрегат, работающий на фреоне-12. Несмотря на высокую производительность, габариты агрегата относительно невелики (длина
8,2 м, ширина 5 м, высота 3 м).
У нас ряд заводов выпускает кондиционеры производительностью от 12 (10) до 139 кВт (120 тыс. ккал/ч).
При невысокой температуре наружного воздуха (25—27 °С) для охлаждения воздуха можно применять простейшие форсуночные камеры без холодильных машин, что требует минимальных расходов.

Характеристика: температура кипения—5°С, температура конденсации t=35°С; холодильный агент — фреон -12, потребляемая мощность N= 1400кВт; длина 2 м; ширина 5 м; высота 3м
Действие таких установок основано на поглощении тепла от охлаждаемого воздуха за счет испарения в нем воды, распыляемой форсунками. Для достижения адиабатического процесса наружные стенки камеры необходимо надежно теплоизолировать.
Распыляемая вода собирается в нижней части камеры и вновь подается к форсункам насосом.
Охлаждающий эффект зависит от относительной влажности воздуха: чем меньше относительная влажность воздуха, тем больше воды испарится в воздухе и тем больше понизится его температура. Этим способом удается охладить наружный воздух в среднем на 6—8 °С. При низкой относительной влажности воздуха температура его понижается на 10—120С.
При температуре наружного воздуха более 27 °С для создания в металлургических цехах оптимальной температуры требуется применять холодильные машины.
Борьба с теплоизлучением
Для уменьшения теплоизлучения необходимо максимально понижать температуру источников лучистого тепла. Большой эффект от снижения температуры излучающих тел объясняется тем, что интенсивность теплоизлучения при понижении температуры уменьшается пропорционально четвертой степени их абсолютной температуры.
Снижение температуры источников излучения тепла в металлургических цехах практически осуществляется увеличением толщины стенок агрегатов, теплоизоляцией их наружной поверхности или охлаждением этих поверхностей.
Для защиты работающих от теплоизлучения наряду с уменьшением интенсивности излучения можно устанавливать между источниками теплоизлучения и работающими экраны или завесы, задерживающие инфракрасную радиацию. При применении полых экранов с циркулирующей водой или при непрерывном смачивании водой простых экранов, выполненных из листовой стали или алюминия, тепловое излучение задерживается полностью. Неохлаждаемые экраны из листового металла, подшитого асбестом, уменьшают интенсивность облучения на 80—85%. Их рекомендуется выполнять многослойными с воздушными промежутками между отдельными слоями и покрывать алюминиевой краской. При экранировании необходимо оставлять между теплоотдающей поверхностью и экраном воздушный промежуток (80—200 мм) для свободной циркуляции воздуха.
Если по характеру производства требуется вести наблюдение за процессами, например в пультах управления, в кабинах машинистов мостовых кранов и т. п., то экраны выполняются из прозрачных материалов или из густой металлической сетки.
Стекло хорошо задерживает инфракрасное излучение. Экран из обыкновенного стекла толщиной 10—12 мм снижает воздействие облучения в 4—4,5 раза. Сетчатые экраны в зависимости от густоты сетки уменьшают облучение на 50—80%. Экраны из сетки с непрерывно стекающей по ней водой почти полностью задерживают лучистое тепло. Прозрачные экраны рекомендуется выполнять двуслойными с продувкой воздуха для их охлаждения.
Принцип экранирования может быть с успехом использован и при работах во внутренних полостях горячих агрегатов, например при ремонте печей. При применении кабины (кессона) во время смены стакана внутри горячего сталеразливочного ковша температура воздуха на рабочем месте ковшевого понижается со 100—105 °С до 37—40 °С, а интенсивность облучения от нагретых стенок и дна ковша уменьшается на 95%.
При работе а замкнутых местах горячих цехов хороший эффект дает использование принципа радиационного охлаждения применением полых экранов, охлаждаемых водой с температурой, близкой к нулю.
Если при эксплуатации агрегатов требуется выполнять работы, связанные с вводом инструментов в рабочие полости или производить загрузку и выгрузку перерабатываемых материалов, то защиту от теплоизлучения удобнее осуществлять различными завесами. Водяные завесы в виде сплошной пелены воды, а также водоструйной или водовоздушной завесы позволяют уменьшить воздействие теплоизлучения на рабочих местах на 60—85%, причем видимость сквозь завесы существенно не ухудшается. Водяные завесы следует применять, например, у рабочих окон нагревательных печей, в местах маркировки горячего металла на блюмингах и слябингах и т. п. (рисунок 6). Завесы, выполненные из густых цепей и свободно висящих металлических стержней, уменьшают облучение на 60—70% и предохраняют рабочих от ожогов при выбросах металла и шлака. Область применения цепных завес шире, нежели водяных. Эти завесы можно применять у окон металлургических печей и защищать от теплоизлучения рабочие места при очистке ковшей после слива металлов и шлаков, а также при обслуживании разливочных машин, маркировке горячего металла и т. п. (рисунок 7). Паровые завесы препятствуют выбиванию из печей пламени и так же эффективны, как и цепные завесы. Паровые завесы непрозрачны и поэтому могут быть использованы там, где не требуется наблюдения за производственными процессами, например у загрузочных окон нагревательных печей.

1 — окно печи; 2 — крышка; 3—короб с водой; 4 — водоподводящая трубка; 5 — водяная завеса; 6 — водоулавливающнй желоб

Средства индивидуальной защиты
В металлургических цехах существенное значение имеет спецодежда. Ткань, из которой изготовляется спецодежда, не должна воспламеняться. Кроме того, она должна защищать работающих от теплоизлучений и не препятствовать испарению пота.
Спецодежда для рабочих горячих цехов изготовляется из шерстяной ткани и из легкого брезента.
В условиях сильного теплоизлучения желательно применять дежурную одежду, отражающую лучистое тепло. Для этой цели невоспламеняемые ткани можно шоопировать алюминием или покрывать тонкими металлическими пластинками с блестящей поверхностью, отражающей тепловые лучи. Такую одежду можно применять в виде отдельных съемных частей, например нагрудников, передников, нарукавников и т. п.
При особенно горячих работах значительный эффект дает легкое увлажнение одежды и кожи тонкораспыленной водой в сочетании с воздушным душированием. Подобное искусственное «потение», уменьшая назревание организма и потребление питьевой воды, облегчает работу сердечно-сосудистой системы человека.
Заслуживает внимания идея создания термоэлектрических костюмов, которые могут быть использованы для охлаждения тела работающих при выполнении горячих работ.
Для защиты лица от теплоизлучений целесообразно применять козырьки из прозрачных негорючих материалов и легкие густые металлические сетки.
Санитарно-гигиенические мероприятия
Эффективными мероприятиями физиологического и гигиенического характера являются гидропроцедуры и организация рационального питьевого режима. Душ по пояс с одновременной подачей воды температурой 30—28°С сверху и снизу в перерывах между горячими операциями позволяет рабочему за 3—4 мин привести организм в нормальное состояние. Для удобства пользования гидропроцедурами гидроустановки должны располагаться вблизи места работы.
В условиях горячих работ организм человека теряет много влаги в результате обильного потовыделения. Так, если в нормальных условиях в состоянии покоя человек за сутки теряет при испарении пота (0,6—0,7)*10-3 м3 воды, то при горячих работах потери воды достигают (6—7)*10-3 м3 за смену. При этом вместе с потом из организма выделяются различные солч, витамины и азотистые соединения, что вызывает обеднение организма веществами, необходимыми для нормальной жизнедеятельности человека. Нарушение водно солевого баланса
в организме человека отрицательно отражается на его здоровье. Поэтому необходима организация правильного питьевого режима, сущность которого заключается в создании оптимальых физиологических условий для уменьшения чрезмерной потери организмом воды и солей. Практически эта задача решается снабжением работающих подсоленной газированной водой. На литр воды добавляется до 5 г поваренной соли. Для раздачи воды в цехах устанавливаются киоски, а у отдельных агрегатов — баллоны в ящиках со льдом.
Хорошие результаты дает применение белково-витаминного напитка, предложенного Киевским институтом гигиены труда. В составе этого напитка, напоминающего по вкусу квас, содержатся, помимо солей, сахар, кислота, алкоголь и витамины. Исследование эффективности белково-витаминного напитка показало, что по сравнению с питьем подсоленной газированной воды при пользовании белково-витаминным напитком потоотделение у рабочих за смену в среднем уменьшилось с 6 до 4,8 л, при этом заметно улучшились физиологические функции организма работающих, уменьшилась утомляемость и повысилась их работоспособность.
Подсоленную газированную воду и белково-витаминный напиток в летний период года необходимо охлаждать до 20—8°С. Чрезмерное охлаждение напитков нежелательно в связи с опасностью заболевания горла.
При выполнении работы в условиях высокой температуры воздуха и сильного теплоизлучения при прокатке вручную и при горячих ремонтах нужно предусматривать подмену для отдыха и охлаждения работающих. С той же целью в горячих цехах целесообразно устраивать помещения для отдыха рабочих с кондиционированием воздуха или специальные места отдыха в виде кабин легкого типа со скамьями для сидения и с подводом в кабину охлажденного воздуха. Места отдыха надо надежно защищать от теплового излучения.
Заслуживает внимания вопрос о разработке специального пищевого рациона для рабочих горячих цехов. В столовые здесь необходимо подавать охлажденный воздух, что .позволит создать благоприятные условия для отдыха.
